等截面薄壁軸承(A型)
類別:等截面薄壁軸承
等截面薄壁角接觸球軸承(A 型)它具有圓窗孔保持架,接觸角一般為30度,滾珠數量大約是滿滾子型的65%。角接觸球軸承的優勢是它可以提供比徑向深溝球類型或四點接觸球類型更大的軸向承載能力。因此,這種軸承一般相向安裝,以維持接觸角,并承受雙向推力載荷。 如果客戶提出要求,也可以成組供貨。(目前只提供背對背配對和面對面配對)
咨詢熱線:0379-64115152
等截面薄壁軸承(A型)
類別:等截面薄壁軸承
等截面薄壁角接觸球軸承(A 型)它具有圓窗孔保持架,接觸角一般為30度,滾珠數量大約是滿滾子型的65%。角接觸球軸承的優勢是它可以提供比徑向深溝球類型或四點接觸球類型更大的軸向承載能力。因此,這種軸承一般相向安裝,以維持接觸角,并承受雙向推力載荷。 如果客戶提出要求,也可以成組供貨。(目前只提供背對背配對和面對面配對)
咨詢熱線:0379-64115152
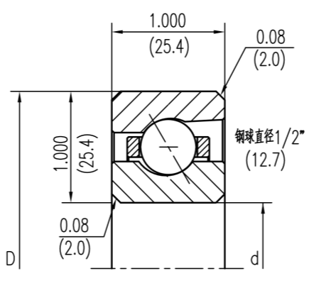
等截面角接觸薄壁軸承(A 型)它具有圓形窗孔保持架,將深溝球軸承一側的內圈或外圈滾道的擋邊降低,則形成角接觸球軸承。彈鎖式裝配可容納圓形孔保持架和更大更多滾珠。這種軸承可以承受徑向載荷和單向推力載荷,通常與另一個相同結構的軸承一起使用。A型軸承需要承受推力以保持接觸角,接觸角一般為30度,滾珠數量大約是滿滾子型的65%。角接觸球軸承的優勢是它可以提供比徑向深溝球類型或四點接觸球類型更大的軸向承載能力。因此,這種軸承一般相向安裝,以維持接觸角,并承受雙向推力載荷。
如果有特殊要求,也可以成組供貨。(目前只提供背對背配對和面對面配對)
等截面薄壁軸承(角接觸球類型) | ||||||||||
◆NKAA SERIES
| ||||||||||
型號 | 尺寸(mm) | 載荷(N) | 重量 | |||||||
d | D | H | Cor | Cr | Coa | Ca | Kg | |||
NKAA10AR0 | 25.400 | 34.925 | 4.762 | 1510 | 670 | 4310 | 2000 | 0.011 | ||
NKAA15AR0 | 38.100 | 47.625 | 4.762 | 2130 | 890 | 6130 | 3250 | 0.017 | ||
NKAA17AR0 | 44.450 | 53.975 | 4.762 | 2220 | 2060 | 0.020 | ||||
◆NKA SERIES
| ||||||||||
型號 | 尺寸(mm) | 載荷(N) | 重量 | |||||||
d | D | H | Cor | Cr | Coa | Ca | Kg | |||
NKA020AR0 | 50.800 | 63.500 | 6.350 | 3510 | 1470 | 10140 | 4270 | 0.045 | ||
NKA025AR0 | 63.500 | 76.200 | 6.350 | 4270 | 1690 | 12360 | 4890 | 0.054 | ||
NKA030AR0 | 76.200 | 88.900 | 6.350 | 5070 | 1910 | 14620 | 5470 | 0.064 | ||
NKA035AR0 | 88.900 | 101.600 | 6.350 | 5830 | 2090 | 16850 | 6000 | 0.077 | ||
NKA040AR0 | 101.600 | 114.300 | 6.350 | 6630 | 2270 | 19110 | 6530 | 0.086 | ||
NKA042AR0 | 107.950 | 120.650 | 6.350 | 7020 | 2360 | 20230 | 6800 | 0.091 | ||
NKA045AR0 | 114.300 | 127.000 | 6.350 | 7380 | 2450 | 21380 | 7020 | 0.095 | ||
NKA047AR0 | 120.650 | 133.350 | 6.350 | 7780 | 2530 | 22490 | 7290 | 0.100 | ||
NKA050AR0 | 127.000 | 139.700 | 6.350 | 8180 | 2620 | 23600 | 7510 | 0.104 | ||
NKA055AR0 | 139.700 | 152.400 | 6.350 | 8980 | 2760 | 25870 | 8000 | 0.113 | ||
NKA060AR0 | 152.400 | 165.100 | 6.350 | 9740 | 2930 | 28090 | 8450 | 0.127 | ||
NKA065AR0 | 165.100 | 177.800 | 6.350 | 10540 | 3070 | 30360 | 8890 | 0.136 | ||
NKA070AR0 | 177.800 | 190.500 | 6.350 | 11290 | 3250 | 32630 | 9340 | 0.145 | ||
NKA075AR0 | 190.500 | 203.200 | 6.350 | 12090 | 3380 | 34850 | 9740 | 0.154 | ||
NKA080AR0 | 203.200 | 215.900 | 6.350 | 12850 | 3510 | 37120 | 10140 | 0.163 | ||
NKA090AR0 | 228.600 | 241.300 | 6.350 | 14400 | 3780 | 41610 | 10980 | 0.186 | ||
NKA100AR0 | 254.000 | 266.700 | 6.350 | 15960 | 4050 | 46100 | 11740 | 0.204 | ||
NKA110AR0 | 279.400 | 292.100 | 6.350 | 17510 | 4310 | 50580 | 12490 | 0.227 | ||
NKA120AR0 | 304.800 | 317.500 | 6.350 | 19070 | 4580 | 55070 | 13200 | 0.245 | ||
◆NKB SERIES
| ||||||||||
型號 | 尺寸(mm) | 載荷(N) | 重量 | |||||||
d | D | H | Cor | Cr | Coa | Ca | Kg | |||
NKB020AR0 | 50.800 | 66.675 | 7.938 | 4850 | 2130 | 14000 | 6130 | 0.068 | ||
NKB025AR0 | 63.500 | 79.375 | 7.938 | 5960 | 2450 | 17160 | 7070 | 0.086 | ||
NKB030AR0 | 76.200 | 92.075 | 7.938 | 6890 | 2710 | 19870 | 7780 | 0.100 | ||
NKB035AR0 | 88.900 | 104.775 | 7.938 | 7960 | 2980 | 23030 | 8580 | 0.122 | ||
NKB040AR0 | 101.600 | 117.475 | 7.938 | 9070 | 3250 | 26180 | 9340 | 0.136 | ||
NKB042AR0 | 107.950 | 123.825 | 7.938 | 9560 | 3330 | 27560 | 9650 | 0.141 | ||
NKB045AR0 | 114.300 | 130.175 | 7.938 | 10000 | 3470 | 28890 | 9960 | 0.154 | ||
NKB047AR0 | 120.650 | 136.525 | 7.938 | 10620 | 3600 | 30720 | 10400 | 0.159 | ||
NKB050AR0 | 127.000 | 142.875 | 7.938 | 11110 | 3690 | 32050 | 10710 | 0.168 | ||
NKB055AR0 | 139.700 | 155.575 | 7.938 | 12180 | 3960 | 35200 | 11380 | 0.181 | ||
NKB060AR0 | 152.400 | 168.275 | 7.938 | 13290 | 4180 | 38360 | 12050 | 0.200 | ||
NKB065AR0 | 165.100 | 180.975 | 7.938 | 14220 | 4360 | 41070 | 12620 | 0.213 | ||
NKB070AR0 | 177.800 | 193.675 | 7.938 | 15340 | 4580 | 44270 | 13250 | 0.227 | ||
NKB075AR0 | 190.500 | 206.375 | 7.938 | 16450 | 4800 | 47430 | 13870 | 0.245 | ||
NKB080AR0 | 203.200 | 219.075 | 7.938 | 17510 | 5020 | 50580 | 14490 | 0.259 | ||
NKB090AR0 | 228.600 | 244.475 | 7.938 | 19560 | 5420 | 56450 | 15600 | 0.290 | ||
NKB100AR0 | 254.000 | 269.875 | 7.938 | 21740 | 5780 | 62760 | 16710 | 0.322 | ||
NKB110AR0 | 279.400 | 295.275 | 7.938 | 23780 | 6130 | 68630 | 17780 | 0.354 | ||
NKB120AR0 | 304.800 | 320.675 | 7.938 | 25960 | 6530 | 74940 | 18850 | 0.386 | ||
NKB140AR0 | 355.600 | 371.475 | 7.938 | 30050 | 7200 | 86680 | 20760 | 0.445 | ||
NKB160AR0 | 406.400 | 422.275 | 7.938 | 34270 | 7870 | 98900 | 22670 | 0.509 | ||
NKB180AR0 | 457.200 | 473.075 | 7.938 | 38490 | 8490 | 111080 | 24490 | 0.572 | ||
NKB200AR0 | 508.000 | 523.875 | 7.938 | 42720 | 9110 | 123260 | 26230 | 0.635 | ||
◆NKA SERIES
| ||||||||||
型號 | 尺寸(mm) | 載荷(N) | 重量 | |||||||
d | D | H | Cor | Cr | Coa | Ca | Kg | |||
NKC040AR0 | 101.600 | 120.650 | 9.525 | 11340 | 4270 | 32720 | 12310 | 0.200 | ||
NKC042AR0 | 107.900 | 127.000 | 9.525 | 12050 | 4450 | 34760 | 12800 | 0.209 | ||
NKC045AR0 | 114.300 | 133.350 | 9.525 | 12710 | 4620 | 36760 | 13290 | 0.222 | ||
NKC047AR0 | 120.650 | 139.700 | 9.525 | 13420 | 4760 | 38760 | 13780 | 0.231 | ||
NKC050AR0 | 127.000 | 146.050 | 9.525 | 14140 | 4930 | 40760 | 14220 | 0.245 | ||
NKC055AR0 | 139.700 | 158.750 | 9.525 | 15290 | 5200 | 44090 | 14980 | 0.263 | ||
NKC060AR0 | 152.400 | 171.450 | 9.525 | 16670 | 5510 | 48100 | 15910 | 0.290 | ||
NKC065AR0 | 165.100 | 184.150 | 9.525 | 18050 | 5820 | 52100 | 16760 | 0.308 | ||
NKC070AR0 | 177.800 | 196.850 | 9.525 | 19200 | 6050 | 55430 | 17490 | 0.336 | ||
NKC075AR0 | 190.500 | 209.550 | 9.525 | 20580 | 6360 | 59470 | 18310 | 0.354 | ||
NKC080AR0 | 203.200 | 222.300 | 9.525 | 22010 | 6620 | 63480 | 19110 | 0.381 | ||
NKC090AR0 | 228.600 | 247.650 | 9.525 | 24540 | 7110 | 70810 | 20580 | 0.445 | ||
NKC100AR0 | 254.000 | 273.050 | 9.525 | 27290 | 7650 | 78810 | 22090 | 0.472 | ||
NKC110AR0 | 279.400 | 298.450 | 9.525 | 29870 | 8130 | 86190 | 23470 | 0.517 | ||
NKC120AR0 | 304.800 | 323.850 | 9.525 | 32400 | 8580 | 93520 | 24800 | 0.558 | ||
NKC140AR0 | 355.600 | 374.650 | 9.525 | 37740 | 9510 | 108900 | 27430 | 0.649 | ||
NKC160AR0 | 406.400 | 425.450 | 9.525 | 43030 | 10360 | 124240 | 29920 | 0.739 | ||
NKC180AR0 | 457.200 | 476.250 | 9.525 | 48360 | 11200 | 139620 | 32360 | 0.830 | ||
NKC200AR0 | 508.000 | 527.050 | 9.525 | 53470 | 11960 | 154330 | 34580 | 0.921 | ||
◆NKD SERIES
| ||||||||||
型號 | 尺寸(mm) | 載荷(N) | 重量 | |||||||
d | D | H | Cor | Cr | Coa | Ca | Kg | |||
NKD040AR0 | 101.600 | 127.000 | 12.700 | 15780 | 6580 | 45610 | 18940 | 0.363 | ||
NKD042AR0 | 107.950 | 133.350 | 12.700 | 16670 | 6800 | 48140 | 19650 | 0.381 | ||
NKD045AR0 | 114.300 | 139.700 | 12.700 | 17560 | 7020 | 50670 | 20310 | 0.400 | ||
NKD047AR0 | 120.650 | 146.050 | 12.700 | 18450 | 7290 | 53210 | 20980 | 0.422 | ||
NKD050AR0 | 127.000 | 152.400 | 12.700 | 19290 | 7510 | 55740 | 21650 | 0.445 | ||
NKD055AR0 | 139.700 | 165.100 | 12.700 | 21070 | 7960 | 60810 | 22940 | 0.481 | ||
NKD060AR0 | 152.400 | 177.800 | 12.700 | 22800 | 8400 | 65880 | 24180 | 0.522 | ||
NKD065AR0 | 165.100 | 190.500 | 12.700 | 24580 | 8800 | 70940 | 25430 | 0.562 | ||
NKD070AR0 | 177.800 | 203.200 | 12.700 | 26310 | 9200 | 76010 | 26630 | 0.603 | ||
NKD075AR0 | 190.500 | 215.900 | 12.700 | 28090 | 9650 | 81080 | 27780 | 0.644 | ||
NKD080AR0 | 203.200 | 228.600 | 12.700 | 29830 | 10050 | 86140 | 28940 | 0.689 | ||
NKD090AR0 | 228.600 | 254.000 | 12.700 | 33340 | 10800 | 96280 | 31160 | 0.767 | ||
NKD100AR0 | 254.000 | 279.400 | 12.700 | 36850 | 11560 | 106410 | 33340 | 0.848 | ||
NKD110AR0 | 279.400 | 304.800 | 12.700 | 40360 | 12270 | 116550 | 35380 | 0.930 | ||
NKD120AR0 | 304.800 | 330.200 | 12.700 | 43870 | 12980 | 126680 | 37430 | 1.010 | ||
NKD140AR0 | 355.600 | 381.000 | 12.700 | 50900 | 14310 | 146950 | 41290 | 1.170 | ||
NKD160AR0 | 406.400 | 431.800 | 12.700 | 57920 | 15600 | 167220 | 45030 | 1.330 | ||
NKD180AR0 | 457.200 | 482.600 | 12.700 | 64940 | 16850 | 187490 | 48580 | 1.490 | ||
NKD200AR0 | 508.000 | 533.400 | 12.700 | 71970 | 18050 | 207760 | 52050 | 1.660 | ||
◆NKF SERIES
| ||||||||||
型號 | 尺寸(mm) | 載荷(N) | 重量 | |||||||
d | D | H | Cor | Cr | Coa | Ca | Kg | |||
NKF040AR0 | 101.600 | 139.700 | 19.050 | 28230 | 12980 | 81520 | 37430 | 0.875 | ||
NKF042AR0 | 107.950 | 146.050 | 19.050 | 29340 | 13290 | 84680 | 38360 | 0.930 | ||
NKF045AR0 | 114.300 | 152.400 | 19.050 | 31520 | 13960 | 90950 | 40230 | 0.975 | ||
NKF047AR0 | 120.650 | 158.750 | 19.050 | 32580 | 14270 | 94060 | 41160 | 1.040 | ||
NKF050AR0 | 127.000 | 165.100 | 19.050 | 33650 | 14580 | 97210 | 42050 | 1.090 | ||
NKF055AR0 | 139.700 | 177.800 | 19.050 | 36940 | 15510 | 106590 | 44720 | 1.180 | ||
NKF060AR0 | 152.400 | 190.500 | 19.050 | 40180 | 16400 | 116020 | 47340 | 1.240 | ||
NKF065AR0 | 165.100 | 203.200 | 19.050 | 43430 | 17290 | 125440 | 49870 | 1.350 | ||
NKF070AR0 | 177.800 | 215.900 | 19.050 | 46720 | 18140 | 134820 | 52320 | 1.450 | ||
NKF075AR0 | 190.500 | 228.600 | 19.050 | 48900 | 18670 | 141080 | 53920 | 1.560 | ||
NKF080AR0 | 203.200 | 241.300 | 19.050 | 52140 | 19510 | 150510 | 56320 | 1.660 | ||
NKF090AR0 | 228.600 | 266.700 | 19.050 | 58630 | 21110 | 169310 | 60900 | 1.810 | ||
NKF100AR0 | 254.000 | 292.100 | 19.050 | 64100 | 22360 | 185000 | 64590 | 2.020 | ||
NKF110AR0 | 279.400 | 317.500 | 19.050 | 70590 | 23870 | 203800 | 68900 | 2.180 | ||
NKF120AR0 | 304.800 | 342.900 | 19.050 | 76010 | 25070 | 219490 | 72410 | 2.380 | ||
NKF140AR0 | 355.600 | 393.700 | 19.050 | 87970 | 27650 | 253990 | 79790 | 2.720 | ||
NKF160AR0 | 406.400 | 444.500 | 19.050 | 99920 | 30100 | 288440 | 86860 | 3.220 | ||
NKF180AR0 | 457.200 | 495.300 | 19.050 | 112950 | 32670 | 326090 | 94280 | 3.580 | ||
NKF200AR0 | 508.000 | 546.100 | 19.050 | 124910 | 34940 | 360580 | 100810 | 4.040 | ||
◆NKG SERIES
| ||||||||||
型號 | 尺寸(mm) | 載荷(N) | 重量 | |||||||
d | D | H | Cor | Cr | Coa | Ca | Kg | |||
NKG040AR0 | 101.600 | 152.400 | 25.400 | 42140 | 20980 | 121620 | 60590 | 1.640 | ||
NKG042AR0 | 107.950 | 158.750 | 25.400 | 44230 | 21690 | 227710 | 62630 | 1.740 | ||
NKG045AR0 | 114.300 | 165.100 | 25.400 | 46360 | 22360 | 133800 | 64590 | 1.790 | ||
NKG047AR0 | 120.650 | 171.450 | 25.400 | 48450 | 23030 | 139840 | 66540 | 1.890 | ||
NKG050AR0 | 127.000 | 177.800 | 25.400 | 50540 | 23690 | 145930 | 68450 | 2.000 | ||
NKG055AR0 | 139.700 | 190.500 | 25.400 | 54760 | 25030 | 158110 | 72190 | 2.150 | ||
NKG060AR0 | 152.400 | 203.200 | 25.400 | 58990 | 26270 | 170240 | 75830 | 2.300 | ||
NKG065AR0 | 165.100 | 215.900 | 25.400 | 63210 | 27520 | 182420 | 79430 | 2.450 | ||
NKG070AR0 | 177.800 | 228.600 | 25.400 | 67390 | 28720 | 194600 | 82900 | 2.660 | ||
NKG075AR0 | 190.500 | 241.300 | 25.400 | 71610 | 29920 | 206740 | 86320 | 2.810 | ||
NKG080AR0 | 203.200 | 254.000 | 25.400 | 75830 | 31070 | 218920 | 89700 | 2.970 | ||
NKG090AR0 | 228.600 | 279.400 | 25.400 | 84280 | 33340 | 243230 | 96190 | 3.270 | ||
NKG100AR0 | 254.000 | 304.800 | 25.400 | 92680 | 35520 | 267550 | 102500 | 3.630 | ||
NKG110AR0 | 279.400 | 330.200 | 25.400 | 101120 | 37650 | 291860 | 108640 | 3.940 | ||
NKG120AR0 | 304.800 | 355.600 | 25.400 | 109530 | 39690 | 316220 | 114590 | 4.300 | ||
NKG140AR0 | 355.600 | 406.400 | 25.400 | 126370 | 43650 | 364850 | 126060 | 4.940 | ||
NKG160AR0 | 406.400 | 457.200 | 25.400 | 143220 | 47470 | 413470 | 137040 | 5.620 | ||
NKG180AR0 | 457.200 | 508.000 | 25.400 | 160110 | 51120 | 462280 | 147570 | 6.260 | ||
NKG200AR0 | 508.000 | 558.800 | 25.400 | 176960 | 54670 | 510730 | 157750 | 6.890 | ||
10余年軸承設計加工經驗
公司具有10余年軸承設計加工經驗,擁有專業軸承研發技術團隊和自動化的加工設備。大大提高的產品的精度,完善了產品的服務。
產品分類覆蓋面廣
等截面薄壁軸承有七個開式和五個密封類型,內孔直徑從1英寸-40英寸均可加工,結構分為深溝球、四點接觸球、角接觸球三種。交叉滾子軸承有RB型、SX型、RE型、RU型、XV型、CRBH型、CRBS型、CRBC型、CRBF型。型號齊全,可供選型。
主要業務行業覆蓋面廣
主要為工業機器人、紡織機械、諧波減速器、工程礦山機械、醫療領域等行業提供高質量軸承。
完善的售后服務體系
本廠集科研開發、生產、銷售于一體,以意識超前,科技前衛和質量過硬深受用戶青睞。

掃一掃
掃一掃