等截面薄壁軸承(C型)
類別:等截面薄壁軸承
等截面薄壁徑向深溝球軸承(C型)是常規設計的單列徑向球軸承。其內圈和外圈會有特殊的位移,這樣可以裝入的滾珠數量大約是滿滾子的一半。 雖然 C 型軸承主要用來承受徑向載荷,但也可以承受有限的來自某一方向的軸向(推力)載荷。但是,如果軸向載荷是重要因素的話,用角接觸球軸承會更合適。
咨詢熱線:0379-64115152
等截面薄壁軸承(C型)
類別:等截面薄壁軸承
等截面薄壁徑向深溝球軸承(C型)是常規設計的單列徑向球軸承。其內圈和外圈會有特殊的位移,這樣可以裝入的滾珠數量大約是滿滾子的一半。 雖然 C 型軸承主要用來承受徑向載荷,但也可以承受有限的來自某一方向的軸向(推力)載荷。但是,如果軸向載荷是重要因素的話,用角接觸球軸承會更合適。
咨詢熱線:0379-64115152
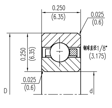
等截面深溝球薄壁軸承(C型)是常規設計的單列徑向球軸承。主要承受徑向載荷。其內圈和外圈會有特殊的位移,這樣可以裝入的滾珠數量大約是滿滾子的一半。雖然 C 型軸承主要用來承受徑向載荷,但也可以承受有限的來自某一方向的單向推力載荷,一般與另一個軸承共同使用。但是,如果軸向載荷是重要因素的話,用角接觸球軸承會更合適。
等截面薄壁軸承(徑向深溝球類型) | ||||||
◆NKAA SERIES
| ||||||
型號 | 尺寸(mm) | 載荷(N) | 重量 | |||
d | D | H | Cor | Cr | Kg | |
NKAA10CP0 | 25.400 | 34.925 | 4.762 | 1290 | 670 | 0.012 |
NKAA15CP0 | 38.100 | 47.625 | 4.762 | 1780 | 800 | 0.018 |
NKAA17CP0 | 44.450 | 53.975 | 4.762 | 2110 | 1770 | 0.020 |
◆NKA SERIES
| ||||||
型號 | 尺寸(mm) | 載荷(N) | 重量 | |||
d | D | H | Cor | Cr | Kg | |
NKA020CP0 | 50.800 | 63.500 | 6.350 | 3020 | 1420 | 0.048 |
NKA025CP0 | 63.500 | 76.200 | 6.350 | 3690 | 1600 | 0.059 |
NKA030CP0 | 76.200 | 88.900 | 6.350 | 4400 | 1820 | 0.068 |
NKA035CP0 | 88.900 | 101.600 | 6.350 | 5070 | 2000 | 0.082 |
NKA040CP0 | 101.600 | 114.300 | 6.350 | 5730 | 2130 | 0.090 |
NKA042CP0 | 107.950 | 120.650 | 6.350 | 6090 | 2220 | 0.095 |
NKA045CP0 | 114.300 | 127.000 | 6.350 | 6400 | 2310 | 0.100 |
NKA047CP0 | 120.650 | 133.350 | 6.350 | 6760 | 2400 | 0.104 |
NKA050CP0 | 127.000 | 139.700 | 6.350 | 7070 | 2490 | 0.109 |
NKA055CP0 | 139.700 | 152.400 | 6.350 | 7780 | 2620 | 0.118 |
NKA060CP0 | 152.400 | 165.100 | 6.350 | 8450 | 2800 | 0.130 |
NKA065CP0 | 165.100 | 177.800 | 6.350 | 9110 | 2930 | 0.140 |
NKA070CP0 | 177.800 | 190.500 | 6.350 | 9780 | 3070 | 0.150 |
NKA075CP0 | 190.500 | 203.200 | 6.350 | 10450 | 3200 | 0.160 |
NKA080CP0 | 203.200 | 215.900 | 6.350 | 11110 | 3330 | 0.172 |
NKA090CP0 | 228.600 | 241.300 | 6.350 | 12490 | 3600 | 0.200 |
NKA100CP0 | 254.000 | 266.700 | 6.350 | 13820 | 3870 | 0.227 |
NKA110CP0 | 279.400 | 292.100 | 6.350 | 15160 | 4130 | 0.236 |
NKA120CP0 | 304.800 | 317.500 | 6.350 | 16540 | 4360 | 0.254 |
◆NKB SERIES
| ||||||
型號 | 尺寸(mm) | 載荷(N) | 重量 | |||
d | D | H | Cor | Cr | Kg | |
NKB020CP0 | 50.800 | 66.675 | 7.938 | 4130 | 2000 | 0.073 |
NKB025CP0 | 63.500 | 79.375 | 7.938 | 5070 | 2310 | 0.091 |
NKB030CP0 | 76.200 | 92.075 | 7.938 | 5960 | 2580 | 0.109 |
NKB035CP0 | 88.900 | 104.775 | 7.938 | 6850 | 2800 | 0.125 |
NKB040CP0 | 101.600 | 117.475 | 7.938 | 7780 | 3070 | 0.140 |
NKB042CP0 | 107.950 | 123.825 | 7.938 | 8130 | 3160 | 0.147 |
NKB045CP0 | 114.300 | 130.175 | 7.938 | 8670 | 3290 | 0.160 |
NKB047CP0 | 120.650 | 136.525 | 7.938 | 9020 | 3380 | 0.163 |
NKB050CP0 | 127.000 | 142.875 | 7.938 | 9560 | 3510 | 0.172 |
NKB055CP0 | 139.700 | 155.575 | 7.938 | 10490 | 3730 | 0.186 |
NKB060CP0 | 152.400 | 168.275 | 7.938 | 11380 | 3960 | 0.205 |
NKB065CP0 | 165.100 | 180.975 | 7.938 | 12270 | 4130 | 0.216 |
NKB070CP0 | 177.800 | 193.675 | 7.938 | 13200 | 4360 | 0.232 |
NKB075CP0 | 190.500 | 206.375 | 7.938 | 14090 | 4530 | 0.250 |
NKB080CP0 | 203.200 | 219.075 | 7.938 | 14980 | 4760 | 0.262 |
NKB090CP0 | 228.600 | 244.475 | 7.938 | 16800 | 5110 | 0.300 |
NKB100CP0 | 254.000 | 269.875 | 7.938 | 18620 | 5470 | 0.331 |
NKB110CP0 | 279.400 | 295.275 | 7.938 | 20400 | 5820 | 0.360 |
NKB120CP0 | 304.800 | 320.675 | 7.938 | 22230 | 6180 | 0.390 |
NKB140CP0 | 355.600 | 371.475 | 7.938 | 25830 | 6800 | 0.476 |
NKB160CP0 | 406.400 | 422.275 | 7.938 | 29430 | 7420 | 0.544 |
NKB180CP0 | 457.200 | 473.075 | 7.938 | 33070 | 8050 | 0.612 |
NKB200CP0 | 508.000 | 523.875 | 7.938 | 36670 | 8620 | 0.68 |
◆NKC SERIES
| ||||||
型號 | 尺寸(mm) | 載荷(N) | 重量 | |||
d | D | H | Cor | Cr | Kg | |
NKC040CP0 | 101.600 | 120.650 | 9.525 | 9330 | 3910 | 0.204 |
NKC042CP0 | 107.950 | 127.000 | 9.525 | 9780 | 4090 | 0.213 |
NKC045CP0 | 114.300 | 133.350 | 9.525 | 10400 | 4220 | 0.225 |
NKC047CP0 | 120.650 | 139.700 | 9.525 | 10930 | 4360 | 0.235 |
NKC050CP0 | 127.000 | 146.050 | 9.525 | 11510 | 4490 | 0.263 |
NKC055CP0 | 139.700 | 158.750 | 9.525 | 12580 | 4800 | 0.268 |
NKC060CP0 | 152.400 | 171.450 | 9.525 | 13650 | 5070 | 0.295 |
NKC065CP0 | 165.100 | 184.150 | 9.525 | 14710 | 5330 | 0.312 |
NKC070CP0 | 177.800 | 196.850 | 9.525 | 15780 | 5560 | 0.340 |
NKC075CP0 | 190.500 | 209.550 | 9.525 | 16850 | 5820 | 0.360 |
NKC080CP0 | 203.200 | 222.250 | 9.525 | 17910 | 6050 | 0.387 |
NKC090CP0 | 228.600 | 247.650 | 9.525 | 20050 | 6530 | 0.450 |
NKC100CP0 | 254.000 | 273.050 | 9.525 | 22180 | 6980 | 0.481 |
NKC110CP0 | 279.400 | 298.450 | 9.525 | 24310 | 7420 | 0.526 |
NKC120CP0 | 304.800 | 323.850 | 9.525 | 26450 | 7870 | 0.567 |
NKC140CP0 | 355.600 | 374.650 | 9.525 | 30720 | 8670 | 0.689 |
NKC160CP0 | 406.400 | 425.450 | 9.525 | 35030 | 9470 | 0.785 |
NKC180CP0 | 457.200 | 476.250 | 9.525 | 39290 | 10220 | 0.880 |
NKC200CP0 | 508.000 | 527.050 | 9.525 | 43560 | 10980 | 0.980 |
◆NKD SERIES
| ||||||
型號 | 尺寸(mm) | 載荷(N) | 重量 | |||
d | D | H | Cor | Cr | Kg | |
NKD040CP0 | 101.600 | 127.000 | 12.700 | 13690 | 6270 | 0.366 |
NKD042CP0 | 107.950 | 133.350 | 12.700 | 14180 | 6400 | 0.386 |
NKD045CP0 | 114.300 | 139.700 | 12.700 | 15200 | 6710 | 0.405 |
NKD047CP0 | 120.650 | 146.050 | 12.700 | 15690 | 6850 | 0.426 |
NKD050CP0 | 127.000 | 152.400 | 12.700 | 16710 | 7160 | 0.454 |
NKD055CP0 | 139.700 | 165.100 | 12.700 | 18230 | 7560 | 0.485 |
NKD060CP0 | 152.400 | 177.800 | 12.700 | 19780 | 8000 | 0.526 |
NKD065CP0 | 165.100 | 190.500 | 12.700 | 21290 | 8400 | 0.566 |
NKD070CP0 | 177.800 | 203.200 | 12.700 | 22800 | 8800 | 0.606 |
NKD075CP0 | 190.500 | 215.900 | 12.700 | 24310 | 9160 | 0.650 |
NKD080CP0 | 203.200 | 228.600 | 12.700 | 25830 | 9560 | 0.694 |
NKD090CP0 | 228.600 | 254.000 | 12.700 | 28890 | 10310 | 0.780 |
NKD100CP0 | 254.000 | 279.400 | 12.700 | 31920 | 10980 | 0.853 |
NKD110CP0 | 279.400 | 304.800 | 12.700 | 34980 | 11690 | 0.934 |
NKD120CP0 | 304.800 | 330.200 | 12.700 | 38010 | 12360 | 1.020 |
NKD140CP0 | 355.600 | 381.000 | 12.700 | 44090 | 13650 | 1.240 |
NKD160CP0 | 406.400 | 431.800 | 12.700 | 50180 | 14890 | 1.410 |
NKD180CP0 | 457.200 | 482.600 | 12.700 | 56230 | 16050 | 1.580 |
NKD200CP0 | 508.000 | 533.400 | 12.700 | 62320 | 17200 | 1.750 |
◆NKF SERIES
| ||||||
型號 | 尺寸(mm) | 載荷(N) | 重量 | |||
d | D | H | Cor | Cr | Kg | |
NKF040CP0 | 101.600 | 139.700 | 19.050 | 23830 | 12130 | 0.875 |
NKF042CP0 | 107.950 | 146.050 | 19.050 | 25070 | 12580 | 0.930 |
NKF045CP0 | 114.300 | 152.400 | 19.050 | 26360 | 12980 | 0.975 |
NKF047CP0 | 120.650 | 158.750 | 19.050 | 27600 | 13380 | 1.040 |
NKF050CP0 | 127.000 | 165.100 | 19.050 | 28850 | 13780 | 1.090 |
NKF055CP0 | 139.700 | 177.800 | 19.050 | 31340 | 14580 | 1.180 |
NKF060CP0 | 152.400 | 190.500 | 19.050 | 33870 | 15340 | 1.240 |
NKF065CP0 | 165.100 | 203.200 | 19.050 | 36360 | 16090 | 1.350 |
NKF070CP0 | 177.800 | 215.900 | 19.050 | 38890 | 16850 | 1.450 |
NKF075CP0 | 190.500 | 228.600 | 19.050 | 41380 | 17560 | 1.560 |
NKF080CP0 | 203.200 | 241.300 | 19.050 | 43920 | 18230 | 1.660 |
NKF090CP0 | 228.600 | 266.700 | 19.050 | 48900 | 19600 | 1.810 |
NKF100CP0 | 254.000 | 292.100 | 19.050 | 53920 | 20940 | 2.020 |
NKF110CP0 | 279.400 | 317.500 | 19.050 | 58940 | 22230 | 2.180 |
NKF120CP0 | 304.800 | 342.900 | 19.050 | 63960 | 23470 | 2.380 |
NKF140CP0 | 355.600 | 393.700 | 19.050 | 74010 | 25830 | 2.720 |
NKF160CP0 | 406.400 | 444.500 | 19.050 | 84010 | 28140 | 3.220 |
NKF180CP0 | 457.200 | 495.300 | 19.050 | 94060 | 30320 | 3.580 |
NKF200CP0 | 508.000 | 546.100 | 19.050 | 104100 | 32450 | 4.040 |
◆NKG SERIES
| ||||||
型號 | 尺寸(mm) | 載荷(N) | 重量 | |||
d | D | H | Cor | Cr | Kg | |
NKG040CP0 | 101.600 | 152.400 | 25.400 | 36490 | 20000 | 1.650 |
NKG042CP0 | 107.950 | 158.750 | 25.400 | 36490 | 20000 | 1.750 |
NKG045CP0 | 114.300 | 165.100 | 25.400 | 38940 | 20900 | 1.810 |
NKG047CP0 | 120.650 | 171.450 | 25.400 | 41340 | 21740 | 1.910 |
NKG050CP0 | 127.000 | 177.800 | 25.400 | 43780 | 22580 | 2.020 |
NKG055CP0 | 139.700 | 190.500 | 25.400 | 46230 | 23430 | 2.170 |
NKG060CP0 | 152.400 | 203.200 | 25.400 | 51070 | 25030 | 2.310 |
NKG065CP0 | 165.100 | 215.900 | 25.400 | 53520 | 25830 | 2.470 |
NKG070CP0 | 177.800 | 228.600 | 25.400 | 58360 | 27380 | 2.670 |
NKG075CP0 | 190.500 | 241.300 | 25.400 | 60810 | 28140 | 2.830 |
NKG080CP0 | 203.200 | 254.000 | 25.400 | 65650 | 29600 | 3.000 |
NKG090CP0 | 228.600 | 279.400 | 25.400 | 72990 | 31780 | 3.300 |
NKG100CP0 | 254.000 | 304.800 | 25.400 | 80280 | 33870 | 3.650 |
NKG110CP0 | 279.400 | 330.200 | 25.400 | 87570 | 35870 | 3.960 |
NKG120CP0 | 304.800 | 355.600 | 25.400 | 94860 | 37830 | 4.320 |
NKG140CP0 | 355.600 | 406.400 | 25.400 | 109440 | 41600 | 4.960 |
NKG160CP0 | 406.400 | 457.200 | 25.400 | 124060 | 45250 | 5.650 |
NKG180CP0 | 457.200 | 508.000 | 25.400 | 138640 | 48720 | 6.280 |
NKG200CP0 | 508.000 | 558.800 | 25.400 | 153220 | 52100 | 7.530 |
NKG250CP0 | 635.000 | 685.800 | 25.400 | 174000 | 71000 | 8.850 |
10余年軸承設計加工經驗
公司具有10余年軸承設計加工經驗,擁有專業軸承研發技術團隊和自動化的加工設備。大大提高的產品的精度,完善了產品的服務。
產品分類覆蓋面廣
等截面薄壁軸承有七個開式和五個密封類型,內孔直徑從1英寸-40英寸均可加工,結構分為深溝球、四點接觸球、角接觸球三種。交叉滾子軸承有RB型、SX型、RE型、RU型、XV型、CRBH型、CRBS型、CRBC型、CRBF型。型號齊全,可供選型。
主要業務行業覆蓋面廣
主要為工業機器人、紡織機械、諧波減速器、工程礦山機械、醫療領域等行業提供高質量軸承。
完善的售后服務體系
本廠集科研開發、生產、銷售于一體,以意識超前,科技前衛和質量過硬深受用戶青睞。

掃一掃
掃一掃