等截面薄壁軸承(X型)
類別:等截面薄壁軸承
等截面薄壁四點接觸球軸承(X型)它的獨特之處在于,其極薄的橫截面使其能夠為具有緩慢或間歇旋轉的輕中型應用提供極大的尺寸和重量減輕。四點接觸球軸承可以雙向承受徑向載荷和軸向載荷。
咨詢熱線:0379-64115152
等截面薄壁軸承(X型)
類別:等截面薄壁軸承
等截面薄壁四點接觸球軸承(X型)它的獨特之處在于,其極薄的橫截面使其能夠為具有緩慢或間歇旋轉的輕中型應用提供極大的尺寸和重量減輕。四點接觸球軸承可以雙向承受徑向載荷和軸向載荷。
咨詢熱線:0379-64115152
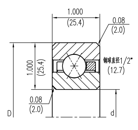
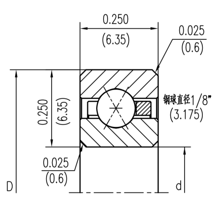
等截面四點接觸球薄壁軸承(X型)它的獨特之處在于,其極薄的橫截面使其能夠為具有緩慢或間歇旋轉的輕中型應用提供極大的尺寸和重量減輕。四點接觸球軸承可以承受三種負荷。(徑向載荷、軸向載荷、力矩)。因為一個四點接觸球軸承經??梢蕴娲鷥蓚€軸承,所以它使設計更簡潔。四點接觸球軸承可以根據客戶的需求提供不同內部預壓和游隙。這可以通過使用比內外圈滾道之間空隙更大的滾珠來實現。當然,即使是在沒有外部載荷的情況下,滾珠和滾道也會有一定彈性變形。
| 等截面薄壁軸承(四點接觸球類型) | ||||||||
◆NKAA SERIES
| ||||||||
| 型號 | 尺寸(mm) | 載荷(N) | 重量 | |||||
| d | D | H | Cor | Cr | Coa | Ca | Kg | |
| NKAA10XP0 | 25.400 | 34.925 | 4.762 | 1290 | 670 | 3250 | 1650 | 0.012 |
| NKAA15XP0 | 38.100 | 47.625 | 4.762 | 1780 | 800 | 4450 | 2050 | 0.018 |
| NKAA17XP0 | 44.450 | 53.975 | 4.762 | 3100 | 2950 | 0.020 | ||
◆NKA SERIES
| ||||||||
| 型號 | 尺寸(mm) | 載荷(N) | 重量 | |||||
| d | D | H | Cor | Cr | Coa | Ca | Kg | |
| NKA020XP0 | 50.800 | 63.500 | 6.35 | 1650 | 1420 | 7600 | 3510 | 0.048 |
| NKA025XP0 | 63.500 | 76.200 | 6.35 | 3690 | 1600 | 9290 | 4050 | 0.059 |
| NKA030XP0 | 76.200 | 88.900 | 6.35 | 4400 | 1820 | 10980 | 4490 | 0.068 |
| NKA035XP0 | 88.900 | 101.600 | 6.35 | 5070 | 2000 | 12670 | 4930 | 0.082 |
| NKA040XP0 | 101.600 | 114.300 | 6.35 | 5730 | 2130 | 14310 | 5380 | 0.090 |
| NKA042XP0 | 107.950 | 120.650 | 6.35 | 6090 | 2220 | 15160 | 5600 | 0.095 |
| NKA045XP0 | 114.300 | 127.000 | 6.35 | 6400 | 2310 | 16000 | 5820 | 0.100 |
| NKA047XP0 | 120.650 | 133.350 | 6.35 | 6760 | 2400 | 16850 | 6000 | 0.104 |
| NKA050XP0 | 127.000 | 139.700 | 6.35 | 7070 | 2490 | 17690 | 6220 | 0.109 |
| NKA055XP0 | 139.700 | 152.400 | 6.35 | 7780 | 2620 | 19380 | 6580 | 0.118 |
| NKA060XP0 | 152.400 | 165.100 | 6.35 | 8450 | 2800 | 21070 | 6980 | 0.130 |
| NKA065XP0 | 165.100 | 177.800 | 6.35 | 9110 | 2930 | 22760 | 7330 | 0.140 |
| NKA070XP0 | 177.800 | 190.500 | 6.35 | 9780 | 3070 | 24450 | 7690 | 0.150 |
| NKA075XP0 | 190.500 | 203.200 | 6.35 | 10450 | 3200 | 26140 | 8050 | 0.160 |
| NKA080XP0 | 203.200 | 215.900 | 6.35 | 11110 | 3330 | 27830 | 8400 | 0.172 |
| NKA090XP0 | 228.600 | 241.300 | 6.35 | 12490 | 3600 | 31200 | 9070 | 0.200 |
| NKA100XP0 | 254.000 | 266.700 | 6.35 | 13820 | 3870 | 34580 | 9690 | 0.227 |
| NKA110XP0 | 279.400 | 292.100 | 6.35 | 15160 | 4130 | 37960 | 10310 | 0.236 |
| NKA120XP0 | 304.800 | 317.500 | 6.35 | 16540 | 4360 | 41340 | 10890 | 0.254 |
◆NKB SERIES
| ||||||||
| 型號 | 尺寸(mm) | 載荷(N) | 重量 | |||||
| d | D | H | Cor | Cr | Coa | Ca | Kg | |
| NKB020XP0 | 50.800 | 66.675 | 7.9380 | 4130 | 2000 | 10400 | 5020 | 0.073 |
| NKB025XP0 | 63.500 | 79.375 | 7.9380 | 5070 | 2310 | 12620 | 5730 | 0.091 |
| NKB030XP0 | 76.200 | 92.075 | 7.9380 | 5960 | 2580 | 14890 | 6400 | 0.109 |
| NKB035XP0 | 88.900 | 104.775 | 7.9380 | 6850 | 2800 | 17160 | 7070 | 0.125 |
| NKB040XP0 | 101.600 | 117.475 | 7.9380 | 7780 | 3070 | 19430 | 7650 | 0.140 |
| NKB042XP0 | 107.950 | 123.825 | 7.9380 | 8130 | 3160 | 20310 | 7910 | 0.147 |
| NKB045XP0 | 114.300 | 130.175 | 7.9380 | 8670 | 3290 | 21690 | 8220 | 0.160 |
| NKB047XP0 | 120.650 | 136.525 | 7.9380 | 9020 | 3380 | 22580 | 8450 | 0.163 |
| NKB050XP0 | 127.000 | 142.875 | 7.9380 | 9560 | 3510 | 23910 | 8800 | 0.172 |
| NKB055XP0 | 139.700 | 155.575 | 7.9380 | 10490 | 3730 | 26180 | 9340 | 0.186 |
| NKB060XP0 | 152.400 | 168.275 | 7.9380 | 11380 | 3960 | 28450 | 9870 | 0.205 |
| NKB065XP0 | 165.100 | 180.975 | 7.9380 | 12270 | 4130 | 30720 | 10400 | 0.216 |
| NKB070XP0 | 177.800 | 193.675 | 7.9380 | 13200 | 4360 | 32980 | 10890 | 0.232 |
| NKB075XP0 | 190.500 | 206.375 | 7.9380 | 14090 | 4530 | 35200 | 11380 | 0.250 |
| NKB080XP0 | 203.200 | 219.075 | 7.9380 | 14980 | 4760 | 37470 | 11870 | 0.262 |
| NKB090XP0 | 228.600 | 244.475 | 7.9380 | 16800 | 5110 | 42000 | 12800 | 0.300 |
| NKB100XP0 | 254.000 | 269.875 | 7.9380 | 18620 | 5470 | 46500 | 13690 | 0.331 |
| NKB110XP0 | 279.400 | 295.275 | 7.9380 | 20400 | 5820 | 51030 | 14580 | 0.360 |
| NKB120XP0 | 304.800 | 320.675 | 7.9380 | 22230 | 6180 | 55560 | 15420 | 0.390 |
| NKB140XP0 | 355.600 | 371.475 | 7.9380 | 25830 | 6800 | 64590 | 17070 | 0.476 |
| NKB160XP0 | 406.400 | 422.275 | 7.9380 | 29430 | 7420 | 73610 | 18630 | 0.544 |
| NKB180XP0 | 457.200 | 473.075 | 7.9380 | 33070 | 8050 | 82630 | 20090 | 0.612 |
| NKB200XP0 | 508.000 | 523.875 | 7.9380 | 36670 | 8620 | 91660 | 21560 | 0.68 |
◆NKX SERIES
| ||||||||
| 型號 | 尺寸(mm) | 載荷(N) | 重量 | |||||
| d | D | H | Cor | Cr | Coa | Ca | Kg | |
| NKX040XP0 | 101.600 | 120.650 | 9.525 | 9340 | 3910 | 23380 | 9820 | 0.204 |
| NKX042XP0 | 107.950 | 127.000 | 9.525 | 9870 | 4090 | 24710 | 10180 | 0.213 |
| NKX045XP0 | 114.300 | 133.350 | 9.525 | 10400 | 4220 | 26050 | 10580 | 0.225 |
| NKX047XP0 | 120.650 | 139.700 | 9.525 | 10940 | 4360 | 27380 | 10940 | 0.235 |
| NKX050XP0 | 127.000 | 146.050 | 9.525 | 11510 | 4490 | 28720 | 11290 | 0.263 |
| NKX055XP0 | 139.700 | 158.750 | 9.525 | 12580 | 4800 | 31380 | 11960 | 0.268 |
| NKX060XP0 | 152.400 | 171.450 | 9.525 | 13650 | 5070 | 34050 | 12620 | 0.295 |
| NKX065XP0 | 165.100 | 184.150 | 9.525 | 14710 | 5330 | 36760 | 13290 | 0.312 |
| NKX070XP0 | 177.800 | 196.850 | 9.525 | 15780 | 5560 | 39430 | 13910 | 0.340 |
| NKX075XP0 | 190.500 | 209.550 | 9.525 | 16850 | 5820 | 42090 | 14540 | 0.360 |
| NKX080XP0 | 203.200 | 222.250 | 9.525 | 17910 | 6050 | 44760 | 15160 | 0.387 |
| NKX090XP0 | 228.600 | 247.650 | 9.525 | 20050 | 6530 | 50100 | 16310 | 0.450 |
| NKX100XP0 | 254.000 | 273.050 | 9.525 | 22180 | 6980 | 55430 | 17470 | 0.481 |
| NKX110XP0 | 279.400 | 298.450 | 9.525 | 24310 | 7420 | 60810 | 18580 | 0.526 |
| NKX120XP0 | 304.800 | 323.850 | 9.525 | 26450 | 7870 | 66140 | 19650 | 0.567 |
| NKX140XP0 | 355.600 | 374.650 | 9.525 | 30720 | 8670 | 76810 | 21740 | 0.689 |
| NKX160XP0 | 406.400 | 425.450 | 9.525 | 35030 | 9470 | 87520 | 23690 | 0.785 |
| NKX180XP0 | 457.200 | 476.250 | 9.525 | 39290 | 10220 | 98190 | 25600 | 0.880 |
| NKX200XP0 | 508.000 | 527.050 | 9.525 | 43560 | 10980 | 108900 | 27430 | 0.980 |
| NKX250XP0 | 635.000 | 654.050 | 9.525 | |||||
◆NKD SERIES
| ||||||||
| 型號 | 尺寸(mm) | 載荷(N) | 重量 | |||||
| d | D | H | Cor | Cr | Coa | Ca | Kg | |
| NKD040XP0 | 101.600 | 127.000 | 12.7 | 13690 | 6270 | 34230 | 15650 | 0.366 |
| NKD042XP0 | 107.950 | 133.350 | 12.7 | 14180 | 6400 | 35470 | 16000 | 0.386 |
| NKD045XP0 | 114.300 | 139.700 | 12.7 | 15200 | 6710 | 38010 | 16760 | 0.405 |
| NKD047XP0 | 120.650 | 146.050 | 12.7 | 15690 | 6850 | 39290 | 17160 | 0.426 |
| NKD050XP0 | 127.000 | 152.400 | 12.7 | 16710 | 7160 | 41830 | 17870 | 0.454 |
| NKD055XP0 | 139.700 | 165.100 | 12.7 | 18230 | 7560 | 45610 | 18940 | 0.485 |
| NKD060XP0 | 152.400 | 177.800 | 12.7 | 19780 | 8000 | 49430 | 19960 | 0.526 |
| NKD065XP0 | 165.100 | 190.500 | 12.7 | 21290 | 8400 | 53210 | 20980 | 0.566 |
| NKD070XP0 | 177.800 | 203.200 | 12.7 | 22800 | 8800 | 57030 | 21960 | 0.606 |
| NKD075XP0 | 190.500 | 215.900 | 12.7 | 24310 | 9160 | 60810 | 22940 | 0.650 |
| NKD080XP0 | 203.200 | 228.600 | 12.7 | 25830 | 9560 | 64630 | 23870 | 0.694 |
| NKD090XP0 | 228.600 | 254.000 | 12.7 | 28900 | 10310 | 72230 | 25740 | 0.780 |
| NKD100XP0 | 254.000 | 279.400 | 12.7 | 31920 | 10980 | 79830 | 27520 | 0.853 |
| NKD110XP0 | 279.400 | 304.800 | 12.7 | 34980 | 11690 | 87430 | 29200 | 0.934 |
| NKD120XP0 | 304.800 | 330.200 | 12.7 | 38010 | 12360 | 95030 | 30890 | 1.020 |
| NKD140XP0 | 355.600 | 381.000 | 12.7 | 44090 | 13650 | 110240 | 34090 | 1.240 |
| NKD160XP0 | 406.400 | 431.800 | 12.7 | 50180 | 14890 | 125440 | 37160 | 1.410 |
| NKD180XP0 | 457.200 | 482.600 | 12.7 | 56230 | 16050 | 140640 | 40140 | 1.580 |
| NKD200XP0 | 508.000 | 533.400 | 12.7 | 62320 | 17200 | 155840 | 42980 | 1.750 |
◆NKF SERIES
| ||||||||
| 型號 | 尺寸(mm) | 載荷(N) | 重量 | |||||
| d | D | H | Cor | Cr | Coa | Ca | Kg | |
| NKF040XP0 | 101.600 | 139.700 | 19.05 | 23830 | 12140 | 59560 | 30360 | 0.875 |
| NKF042XP0 | 107.950 | 146.050 | 19.05 | 25070 | 12580 | 62720 | 31430 | 0.930 |
| NKF045XP0 | 114.300 | 152.400 | 19.05 | 26360 | 12980 | 65830 | 32450 | 0.975 |
| NKF047XP0 | 120.650 | 158.750 | 19.05 | 27600 | 13380 | 68990 | 33470 | 1.040 |
| NKF050XP0 | 127.000 | 165.100 | 19.05 | 28850 | 13780 | 72100 | 34490 | 1.090 |
| NKF055XP0 | 139.700 | 177.800 | 19.05 | 31340 | 14580 | 78370 | 36450 | 1.180 |
| NKF060XP0 | 152.400 | 190.500 | 19.05 | 33870 | 15340 | 84680 | 38360 | 1.240 |
| NKF065XP0 | 165.100 | 203.200 | 19.05 | 36360 | 16090 | 90950 | 40230 | 1.350 |
| NKF070XP0 | 177.800 | 215.900 | 19.05 | 38890 | 16850 | 97210 | 42050 | 1.450 |
| NKF075XP0 | 190.500 | 228.600 | 19.05 | 41380 | 17560 | 103480 | 43870 | 1.560 |
| NKF080XP0 | 203.200 | 241.300 | 19.05 | 43920 | 18230 | 109750 | 45610 | 1.660 |
| NKF090XP0 | 228.600 | 266.700 | 19.05 | 48900 | 19600 | 122280 | 49030 | 1.810 |
| NKF100XP0 | 254.000 | 292.100 | 19.05 | 53920 | 20940 | 134820 | 52320 | 2.020 |
| NKF110XP0 | 279.400 | 317.500 | 19.05 | 58940 | 22230 | 147350 | 55520 | 2.180 |
| NKF120XP0 | 304.800 | 342.900 | 19.05 | 63960 | 23470 | 159890 | 58630 | 2.380 |
| NKF140XP0 | 355.600 | 393.700 | 19.05 | 74010 | 25830 | 185000 | 64590 | 2.720 |
| NKF160XP0 | 406.400 | 444.500 | 19.05 | 84010 | 28140 | 210070 | 70320 | 3.220 |
| NKF180XP0 | 457.200 | 495.300 | 19.05 | 94060 | 30320 | 235140 | 75830 | 3.580 |
| NKF200XP0 | 508.000 | 546.100 | 19.05 | 104100 | 32450 | 260260 | 81120 | 4.040 |
◆NKG SERIES
| ||||||||
| 型號 | 尺寸(mm) | 載荷(N) | 重量 | |||||
| d | D | H | Cor | Cr | Coa | Ca | Kg | |
| NKG040XP0 | 101.600 | 152.400 | 25.40 | 36490 | 20000 | 91210 | 50050 | 1.650 |
| NKG042XP0 | 107.950 | 158.750 | 25.40 | 36490 | 20000 | 91210 | 50050 | 1.750 |
| NKG045XP0 | 114.300 | 165.100 | 25.40 | 38940 | 20900 | 97300 | 52230 | 1.810 |
| NKG047XP0 | 120.650 | 171.450 | 25.40 | 41340 | 21740 | 103390 | 54360 | 1.910 |
| NKG050XP0 | 127.000 | 177.800 | 25.40 | 43780 | 22580 | 109440 | 56500 | 2.020 |
| NKG055XP0 | 139.700 | 190.500 | 25.40 | 46230 | 23430 | 115530 | 58590 | 2.170 |
| NKG060XP0 | 152.400 | 203.200 | 25.40 | 51070 | 25030 | 127710 | 62630 | 2.310 |
| NKG065XP0 | 165.100 | 215.900 | 25.40 | 53520 | 25830 | 133800 | 64590 | 2.470 |
| NKG070XP0 | 177.800 | 228.600 | 25.40 | 58360 | 27380 | 145930 | 68450 | 2.670 |
| NKG075XP0 | 190.500 | 241.300 | 25.40 | 60810 | 28140 | 152020 | 70320 | 2.830 |
| NKG080XP0 | 203.200 | 254.000 | 25.40 | 65650 | 29600 | 164200 | 74010 | 3.000 |
| NKG090XP0 | 228.600 | 279.400 | 25.40 | 72990 | 31780 | 182420 | 79430 | 3.300 |
| NKG100XP0 | 254.000 | 304.800 | 25.40 | 80280 | 33870 | 200650 | 84630 | 3.650 |
| NKG110XP0 | 279.400 | 330.200 | 25.40 | 87570 | 35870 | 218920 | 89700 | 3.960 |
| NKG120XP0 | 304.800 | 355.600 | 25.40 | 94860 | 37830 | 237140 | 94590 | 4.320 |
| NKG140XP0 | 355.600 | 406.400 | 25.40 | 109440 | 41600 | 273630 | 104060 | 4.960 |
| NKG160XP0 | 406.400 | 457.200 | 25.40 | 124060 | 45250 | 310130 | 113130 | 5.650 |
| NKG180XP0 | 457.200 | 508.000 | 25.40 | 138640 | 48720 | 346620 | 121840 | 6.280 |
| NKG200XP0 | 508.000 | 558.800 | 25.40 | 153220 | 52100 | 383070 | 130240 | 7.530 |
| NKG250XP0 | 635.000 | 685.800 | 25.40 | 300000 | 100000 | 8.850 | ||
| NKG300XP0 | 762.000 | 812.800 | 25.40 | 360000 | 107000 | 10.570 | ||
| NKG350XP0 | 889.000 | 939.800 | 25.40 | 420000 | 113000 | 12.300 | ||
| NKG400XP0 | 1016.000 | 1066.800 | 25.40 | |||||
10余年軸承設計加工經驗
公司具有10余年軸承設計加工經驗,擁有專業軸承研發技術團隊和自動化的加工設備。大大提高的產品的精度,完善了產品的服務。
產品分類覆蓋面廣
等截面薄壁軸承有七個開式和五個密封類型,內孔直徑從1英寸-40英寸均可加工,結構分為深溝球、四點接觸球、角接觸球三種。交叉滾子軸承有RB型、SX型、RE型、RU型、XV型、CRBH型、CRBS型、CRBC型、CRBF型。型號齊全,可供選型。
主要業務行業覆蓋面廣
主要為工業機器人、紡織機械、諧波減速器、工程礦山機械、醫療領域等行業提供高質量軸承。
完善的售后服務體系
本廠集科研開發、生產、銷售于一體,以意識超前,科技前衛和質量過硬深受用戶青睞。

掃一掃
掃一掃