單排的四點接觸球型轉盤軸承具有較高的靜載荷能力一般由兩個套圈組成,結構緊湊、重量輕、鋼球于圓弧滾道四點接觸,能同時承載軸向力、徑向力和傾覆力矩。
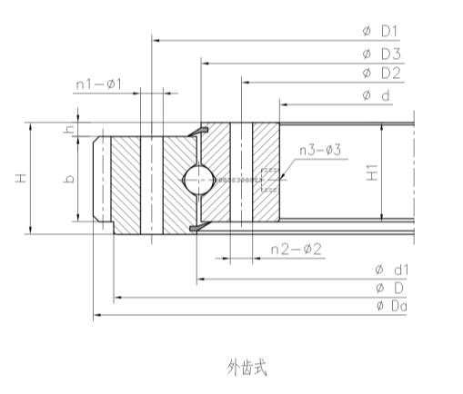
四點接觸球型轉盤軸承外齒式
| |||||
| 軸承型號 | 外 形 尺 寸 | 載荷 | 重量 | ||
| Item No | Dimensions | Basic Cap | Weight | ||
| D | d | H | Coa(10KN) | kg | |
| D178794 | 694 | 470 | 77 | 157 | 93.1 |
| 1787/600G | 786 | 600 | 72 | 107 | 94.1 |
| 1787/674G2 | 853 | 674 | 70 | 183 | 89 |
| 11787/674G2K | 853 | 674 | 70 | 183 | 88.6 |
| 1787/710G2 | 894 | 710 | 67 | 179 | 107 |
| 1787/710G2K | 894 | 710 | 67 | 179 | 107 |
| 1787/710G2Kl | 894 | 710 | 67 | 179 | 107 |
| 1787/800G | 1050 | 800 | 90 | 215 | 217 |
| 1787/800GK | 1050 | 800 | 90 | 215 | 217 |
| 1788/1040G2 | - | 1040 | 80 | 297 | 25l |
| 1787/1060G | 1335 | 1060 | 109 | 501 | 407 |
| 1787/1075 | 1365 | 1075 | 120 | 463 | 463 |
| 1787/1075K | 1365 | 1075 | 130 | 463 | 550 |
| 1787/1075G2 | 1365 | 1075 | 120 | 463 | 463 |
| 1787/1075G2K | 1365 | 1075 | 120 | 463 | 463 |
| 1787/1330G2 | 1475 | 1330 | 82.4 | 353 | 280 |
| 3 — 647G | 1407 | 1352 | 100 | 216 | 143 |
| 1788/1410G2 | - | 1410 | 85 | 395 | 312 |
| 1787/1640G | 2050 | 1640 | 160 | 1118 | 1264 |
| 1787/1700 | 1945 | 1700 | 120 | 405 | 516 |
| 1789/1700GM | 2052 | 1700 | 100 | 551 | 678 |
| 1787/2650G2 | 2885 | 2650 | 100 | 913 | 751 |
10余年軸承設計加工經驗
公司具有10余年軸承設計加工經驗,擁有專業軸承研發技術團隊和自動化的加工設備。大大提高的產品的精度,完善了產品的服務。
產品分類覆蓋面廣
等截面薄壁軸承有七個開式和五個密封類型,內孔直徑從1英寸-40英寸均可加工,結構分為深溝球、四點接觸球、角接觸球三種。交叉滾子軸承有RB型、SX型、RE型、RU型、XV型、CRBH型、CRBS型、CRBC型、CRBF型。型號齊全,可供選型。
主要業務行業覆蓋面廣
主要為工業機器人、紡織機械、諧波減速器、工程礦山機械、醫療領域等行業提供高質量軸承。
完善的售后服務體系
本廠集科研開發、生產、銷售于一體,以意識超前,科技前衛和質量過硬深受用戶青睞。

掃一掃
掃一掃